Related
Technology Description

The invention consists of a single-stage, bidirectional and high-frequency isolated power conversion system (PCS) and a novel control method to do the interface between the AC distribution network and a battery pack, or other DC sources/loads. The PCS output can also form a DC network for energy supply of several devices. This system converts three-phase AC power input from the network into DC power output that can be used for example to charge an energy storage device or supply a direct current distribution system. Since the PCS allows bidirectional power flow, it also allows to convert DC power input from the energy storage device into AC power output to supply the network.

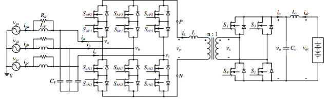
The main circuit comprises an input filter, a three-phase-to-single-phase matrix converter, a high-frequency transformer, a full-bridge converter and an output filter. The input LC filter is necessary to reduce the harmonic content of the current and allow the connection with the grid. The matrix converter - an array of controlled four-quadrant power switches - is a key element of this topology since performs a direct AC to AC conversion between the grid and a high-frequency transformer. With this solution it is possible to eliminate the traditional DC-link capacitor and obtain a single-stage power conversion with higher power density and long service life. The high- frequency transformer provides galvanic isolation between the grid and the energy storage device, resulting in increased safety operation. Furthermore, the transformer turns ratio can be designed in order to apply this converter for a wide voltage range of energy storage devices. The full-bridge regulates the voltage and current in the battery pack during the charge and discharge process. The output filter is necessary to reduce the voltage and current ripple at the converter output.

A key aspect of this invention is its novel modulation used to generate the appropriate command signals for the power switches of the matrix converter and the full-bridge allows simultaneously the power factor control in the grid interface and the current regulation in the battery pack. The matrix converter is controlled by a new space vector modulation that ensures higher power quality in the grid interconnection. A low current ripple in the energy storage device is guaranteed with this modulation, which results in a lower operating temperature that typically increases the battery life.

Potential Benefits

The proposed main circuit doesn't have a DC-link capacitor and features a high-frequency transformer, resulting in a more compact solution and with a longer service life when compared with existing technical solutions with the same capabilities. Galvanic isolation and voltage level adaptation is provided by the transformer.

The new modulation allows to control simultaneously the power factor in the grid interface and the current in the battery pack, or in the formed DC network. Active power (P) and reactive power (Q) can be controlled to provide services for the grid operator or to comply with standards. A higher power quality in the grid interconnection is also obtained due to the use of a new space vector modulation. The DC current has an accurate regulation and low ripple, making possible to supply sensitive loads such as an energy storage device or a DC distribution system.

The single-stage power conversion system, when compared with conventional solutions, has as advantages a higher power density, longer service life, higher power quality in the grid interconnection, power factor control capability, safe operation provided by galvanic isolation, wide DC voltage range of energy storage devices, and DC current regulation with low ripple.

Limitations

This technology needs a commutation strategy that requires higher computational resources compared with conventional converters. There are, however, suitable processors in the market currently available in the market for this task.

The modulation technique to control the conversion topology was already analytically developed. Using a simulation software it was possible to collect data to corroborate the analytically analysis. These simulation results are reported in separate paper which may be provided upon request. A comparison between the invented PCS (referred in the paper as HFLMC) and one possible alternative (referred in the paper as VSC-DAB) is also made and, although it is an initial comparison, the results show that the former has much a higher potential for energy storage applications.

Further research must be done to explore soft-switching in order to reduce the losses in the power switches, resulting in a more compact device with increased conversion efficiency.

A prototype is currently under construction.

Suggested Applications

This invention can be used as an unidirectional power converter in both AC to DC and DC to AC conversion. Major DC to AC converter applications are based on grid-tied or standalone inverters for energy harvesting from renewable or other DC sources, requiring galvanic isolation. In AC to DC conversion, the proposed technology can be used for conventional battery chargers and power supplies with galvanic isolation. Solar or wind power inverters, battery chargers for industrial equipment, high power DC sources for industrial processes, and energy supply in DC for electronic equipment (datacenters, variable frequency drives, etc.) are examples of possible applications.

It can also be used as a bidirectional power converter for battery-based stationary energy storage systems, electric vehicle battery chargers with reverse power flow functionality, energy supply of DC loads with regenerative capabilities and interface between low voltage AC and low voltage DC networks.

A particularly suitable application is in distributed energy storage systems under the so called "Community Energy Storage", an example of which is the electric vehicles market with the so called "Vehicle-to-Grid" (V2G) concept, in which a bidirectional charger is necessary to supply the batteries during charging operation, and to discharge the batteries during V2G operation. Due to space limitation in the electric vehicle, this invention has a great potential for V2G applications since it allows for a compact converter.

Additional application examples are the DC supply networks such as large computational systems (such as datacenters) and modern networks with combined production of renewable energy with energy storage. The proposed technology can provide a bidirectional power interface between the existing low voltage network and the emerging DC networks.

As for variable frequency drives, this solution can be used to supply the DC bus of large groups of devices in low to mid power range. In this power range, the regenerative braking becomes economically feasible as the drive units themselves are simpler and cheaper, and the regenerative braking functionality lies in a central bidirectional converter.

Related materials
Status
Japan Patent (JP6590911B2 ), European Patent, US Patent
Availability
Licensing
Inventor(s)
Diogo Varajo, Lus Miranda, Rui Arajo

AC/DC converter with three to single phase matrix converter, full-bridge AC/DC converter and hf transformer

Discover the institution >>
Website:
The technological areas
Engineering

Technology Readiness Level 3